MicroPecker RAMモニタ for Highspeed Single Wire《S810-MP-R1》【26年9月販売終了予定】
MicroPecker製品は、使用部品の生産中止に伴い、2026年9月末で販売を終了させていただきます。
長らくご愛顧いただき、誠にありがとうございました。
製品保守(修理)サポートにつきましては、2028年3月末で終了とさせていただきます。
尚、保守部品が無くなり次第、製品保守(修理)サポートを早期に終了させていただきますので、何卒ご了承ください。
システムソフトウェアをVer.2.24にアップデート(2025/12/19)
- RH850/F1KM-S2を対応デバイスに追加
最新版のソフトウェアは、以下の製品ダウンロードページからダウンロードできます。
製品ダウンロード特長
車載マイコン対応リアルタイムRAMモニタ
RAMモニタとは、組込みソフトウェア開発においてプログラム内部の動的検証に役立つ組込みソフトウェア開発支援ツールです。
ユーザープログラム実行中でもプログラムの複数の変数をRAMデータからモニタリングし、トーレスすることでプログラムのデータフローや振る舞いなどの機能検証が可能になります。
MicroPecker RAMモニタ for Highspeed Single Wireは、車載向けマイコンに組み込まれているデバッグインターフェイスに対応したRAMモニタです。
ターゲットマイコンにRAMモニタ用のプログラムを入れることなく、デバッグインターフェースに接続するだけでリアルタイムRAMモニタが可能です。
(コンパイラのオプションバイト設定等が必要です)
同軸ケーブル
MicroPecker RAMモニタ for Highspeed Single Wireでは、同軸ケーブルを用いることにより、外部ノイズに対する耐性を持ちます。
多品種マイコン対応インターフェイス変換ユニット
MicroPecker RAMモニタ for Highspeed Single Wire《S810-MP-R1》に、オプション製品のデバイス対応インターフェイス変換ユニットを装着することで、マイコン毎に異なる様々なデバッグインターフェイスに対応します。
マイコンを変更する場合でもご使用予定のマイコンに対応したデバッグインターフェイス変換ユニットを追加購入するだけなので、最小限のコストで様々なマイコンに対応したRAMモニタ環境が構築できます。
パソコン用のGUIツールは、S810-MP-R1のユーザであれば最新のソフトウェアを無償でダウンロードが可能です。
※変換ユニットを経由してのリプログラミング機能は搭載していません。
RAMモニタ機能
ターゲットボードに搭載されているマイコン内蔵RAM領域のデータを、設定された周期でモニタします。
- ターゲットマイコンからのRAMモニタデータサンプリング周期の指定が可能です。
- RAMモニタポイント点数は、64ch/1msec(6ch/100μsec)までの設定が可能です。
- モニタ対象アドレスから取得するデータサイズ(1Byte, 2Byte, 4Byte)の指定が可能です。
- データ表示形式(2進数、10進数、16進数、浮動小数点数、物理量変換値)の指定が可能です。
- RAMモニタデータの表示更新間隔(100ms~1000ms、10ms単位)の指定が可能です。
- ユーザープログラム作成時のコンパイラパッケージが生成したシンボルファイルからシンボル情報を読込みモニタ対象アドレスの指定が可能です。
RAMモニタデータのロギング機能
RAMモニタデータをファイルに出力します。
- RAMモニタデータをCSVファイル形式で保存します。
- ロギング先のロギングファイル名の指定が可能です。
- 保存するデータの形式指定(2進数、10進数、16進数)の指定が可能です。
- RAM値が設定条件に合致した際にロギングを自動開始、停止するトリガー機能があります。
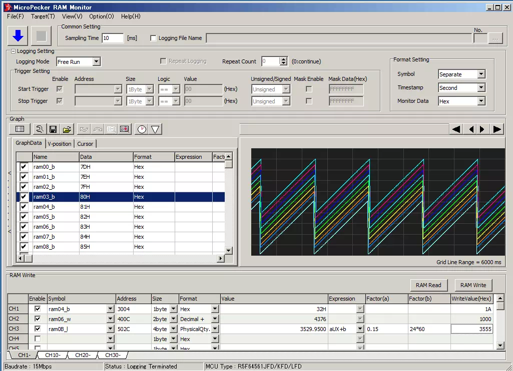
RAMモニタデータのグラフ表示機能
RAMモニタデータをグラフ表示します。
- グラフ表示は、モニタ対象アドレスから最大16個まで指定が可能です。
- グラフ領域の表示色や表示設定の変更が可能です。
- グラフデータをCSV形式、またはグラフログ形式のファイルで保存が可能。
- グラフログ形式で保存したファイルを開いて、グラフ表示を再現させることが可能です。
- グラフの拡大や縮小、カーソル設定が可能です。
RAMデータ書き換え機能
RAMモニタ中[*1]、または、RAMモニタ停止中にターゲットMCU内臓RAMの任意のアドレスに対して、データ書込みが行えます。
- 書込み対象のアドレスは32点まで指定可能です。
- 書込みデータサイズ(1Byte、2Byte、4Byte)の指定が可能です。
- 指定した書込み対象アドレスのデータ取得、画面表示が可能です。
[*1]:RAMモニタ中にRAMデータ書き換え(取得)を実行した場合、RAMモニタ、ロギングは一瞬中断します。
MicroPecker CAN/LINアナライザとの時刻同期機能
MicroPecker Analyzerとは、タイムスタンプを同期させてロギングファイルを取得することが可能です。
MicroPecker本体同士を同期ケーブルで連結し、クロック同期信号による正確なタイムスタンプ同期を行います。CANバスモニタ、LINバスモニタ、RAMモニタ、A/Dデータ収集といった幅広い組合せで、MicroPeckerを最大6台まで連結可能です。

対応マイコン
標準製品《S810-MP-R1》
| 対応マイコン | デバッグI/F | 製品名 | 製品型名 |
|---|---|---|---|
| Renesas Electronics製 R32C/100シリーズ | NSD | MicroPecker RAMモニタ for Highspeed Single Wire | S810-MP-R1 |
オプション製品(インターフェース変換ユニット)
MicroPecker RAMモニタ for Highspeed Single Wire《S810-MP-R1》にオプション追加することで下記のマイコンに対応します。
| 対応マイコン | デバッグI/F | オプションユニット | 製品型名 |
|---|---|---|---|
| Renesas Electronics製 SH7047, SH7050, SH7147, SH72Ax, SH7450 | AUD | NSD◆AUD変換ユニット | S810-MP-EX1 |
| Renesas Electronics製 V850E2/Fx4, V850E2/PJ4, RH850/C1x, RH850/P1M, RH850/F1K, RH850/F1KM-S1, RH850/F1KM-S2, RH850/F1KM-S4, RH850/F1L | N-Wire | NSD◆N-Wire変換ユニット | S810-MP-EX5 |
| Renesas Electronics製 RL78/F13, RL78/F14, RL78/F15, RL78/F23, RL78/F24 | OCD | NSD◆OCD(RL78)変換ユニット | S810-MP-EX6 |
| OCD, OCD+CSI | NSD◆RL78(OCD+CSI)変換ユニット | S810-MP-EX6-CSI | |
| NXP Semiconductors製 MPC564xA, MPC5777M | Nexus | Nexus変換ユニット | S810-MP-EX7 |
| NXP Semiconductors製 S12ZVx | BDM | BDM変換ユニット | S810-MP-EX8 |
| Infineon Technology製 AURIX TC3xx Series TC332, TC333, TC334, TC336, TC337, TC356, TC357, TC364, TC365, TC366, TC367, TC375, TC377, TC387, TC389, TC397, TC3E7 | JTAG for AURIX | JTAG for AURIX変換ユニット | S810-MP-EX9 |
※MicroPecker RAMモニタ for Highspeed Single Wire 《S810-MP-R1》は、別途購入の必要がございます。
インターフェース変換ユニット ハードウェアマニュアル
MicroPecker RAMモニタ用インターフェース変換ユニットのハードウェアマニュアルはダウンロードページからダウンロードできます。
ご使用前にターゲットとのインターフェース結線をご確認ください。
対応デバイスリスト
MicroPecker RAMモニタ for Highspeed Single Wireに対応するマイコンデバイスリストです。
使用上の制限事項もあわせてご確認ください。
製品仕様
製品パッケージ
| 項目 | 内容 |
|---|---|
| 製品名 | MicroPecker RAMモニタ for Highspeed Single Wire |
| 製品型名 | S810-MP-R1 |
| 同梱品[※] | ・MicroPecker本体 ・MicroPecker用NSDケーブル ・USB延長ケーブル ・保証書兼解説書 (MicroPecker RAMモニタライセンス) |

※:アプリケーションソフトウェア、ユーザーズマニュアルはWebページからダウンロードとなります。
MicroPecker本体仕様
| 項目 | 仕様内容 | |
|---|---|---|
| ホストインターフェイス | USB 2.0 High Speed(480Mbps) | |
| ホスト動作環境 | PC[*1] | IBM PC/AT互換機 |
| OS[*2] | Windows 11(64bit), 10(64bit), 8.1(64bit) | |
| CPU | Celeron 1.6GHz 以上を推奨[*3] | |
| ハードディスク | 50Mbyte以上の空き容量[*4] | |
| メモリ | 1Gbyte以上を推奨[*3] | |
| USBポート | USB2.0(High Speed)対応で、1ポート必要[*5] | |
| ディスプレイ | 表示倍率:「小 - 100%」または「中 - 125%」[*6] 解像度:1024×768以上を推奨[*7] | |
| その他 | モニタ、キーボード、マウス | |
| 電源 | USB Bus Power(5V、400mA) | |
| 寸法[*8] | 62(W)×30(D)×12(H)mm | |
| 重量 | 35g | |
[*1]:省電力機能を持つPCの場合は、本製品使用中にPCのスリープ、HDDの停止、CPUクロックの低下が発生しないように設定して下さい。
[*2]:仮想環境での動作は非対応です。
[*3]:グラフ表示機能を使用する場合、ロギング機能で2進出力を使用する場合、タイムスタンプ同期機能でRAMモニタとCANアナライザを同時に使用する場合には、よりハイスペックなPCの使用を推奨します。
[*4]:ロギングファイルをローカルハードディスクに保存する場合は、十分なハードディスクの空き容量を確保してください。
[*5]:外付けのUSBハブを用いて接続する場合は、必ずセルフパワー対応機器を選定いただき、外部より電源を供給した上で接続ください。USBハブをバスパワー駆動で接続した場合、動作しない、または不安定になることがあります。
[*6]:「小 - 100%」または「中 - 125%」以外の表示倍率での動作は保証しておりません。
[*7]:表示倍率を「小 - 100%」に設定される場合の推奨値となります。
[*8]:寸法には、接続端子の突起部は含まれておりません。
MicroPecker 同軸ケーブル仕様
| 項目 | 仕様内容 |
|---|---|
| 種別 | 同軸ケーブル |
| インピーダンス | 100Ω |
| ケーブル長 | 1m |
| シールド | あり |
| ターゲット側コネクタ | HRM-200-4-C(40)(ヒロセ電機) ターゲットボード適合コネクタ:HRM-300-126B(ヒロセ電機) |
機能仕様
MicroPecker RAMモニタ for Highspeed Single Wire仕様
| 項目 | 内容 | |
|---|---|---|
| RAMモニタ機能[*1] | モニタ領域 | ターゲットMCUの内蔵RAM領域 |
| サンプリング周期 | 0.1ms ~ 1000ms (0.1ms単位で設定可能) | |
| モニタデータ表示更新間隔 | 100ms ~ 1000ms (10ms単位で設定可能) | |
| RAMモニタポイント数 | 1点 ~ 64点 (1バイト、2バイト、4バイト)[*2] | |
| アドレス指定 | 直接アドレス入力、シンボル選択[*3] 指定可能なアドレスの範囲は「00000000H ~ FFFFFFFFH」 2バイトの場合は偶数アドレスのみ、4バイトの場合は4の倍数のアドレスのみ指定可[*2][*4] | |
| シンボルファイル読込み | Elf/Dwarf2形式ファイル、または以下のリンカが出力するテキスト形式のMAPファイル ・ルネサスエレクトロニクス社製 NC30コンパイラパッケージ ・ルネサスエレクトロニクス社製 Renesas Optimizing Linker (W1.00.00) ・ルネサスエレクトロニクス社製 78K0R Linker W1.70 | |
| モニタデータ書式 | 2進数、10進数(signed)、10進数(unsigned)、16進数、浮動小数点数[*5]、物理量変換値 | |
| ロギング機能 | ログ出力周期 | 0.1ms ~ 1000ms (0.1ms 単位で設定可能) |
| ログ出力ポイント数 | 1点 ~ 64点 (1バイト、2バイト、4バイト)[*2] | |
| アドレス指定 | RAMモニタ機能 - アドレス指定と共通 | |
| ロギング書式 | テキスト形式(CSV)、16進数出力、10進数出力、2進数出力、絶対時間、モニタ値、トリガポイント等を出力 | |
| ロギング可能容量 | ロギング先のディスクの容量に依存 | |
| ロギングファイル出力先 | ファイル名の指定可能 | |
| トリガモード | Free Runモード、Triggerモード(開始/終了トリガ) | |
| トリガのリピート機能 | Triggerモード時に開始トリガ、終了トリガを繰り返して検出し、ロギングを実施 | |
| トリガ条件 | 指定メモリ値に対する ==、!=、<、> の4つの条件から指定可能 | |
| サンプリング性能[*6] | NSD対応 RAMモニタ | 6点/0.1msec ~ 64点/1msec |
| AUD対応 RAMモニタ | 6点/0.1msec ~ 64点/1msec | |
| NBD対応 RAMモニタ | 6点/0.1msec ~ 64点/1msec | |
| N-Wire対応 RAMモニタ | 6点/0.1msec ~ 64点/1msec | |
| OCD(RL78)対応 RAMモニタ | 1点/0.5msec ~ 2点/1msec(ボーレート1Mbpsの場合) 1点/5msec(ボーレート115kbpsの場合) | |
| RL78(OCD+CSI)対応 RAMモニタ | 6点/0.1msec ~ 64点/1msec | |
| Nexus対応 RAMモニタ | MPC5777M:6点/0.1msec ~ 64点/1msec MPC564xA(RDY端子有:324Pin):6点/0.1msec ~ 62点/1msec MCP564xA(RDY端子無:208/176Pin):5点/0.1msec ~ 55点/1msec | |
| BDM対応 RAMモニタ | 1バイト:6点/0.1msec ~ 64点/1msec 2バイト:6点/0.1msec ~ 61点/1msec 4バイト:4点/0.1msec ~ 45点/1msec(バスクロック50MHzの場合) 1バイト:2点/0.1msec ~ 21点/1msec 2バイト:1点/0.1msec ~ 18点/1msec 4バイト:1点/0.1msec ~ 13点/1msec(バスクロック16MHzの場合) | |
| JTAG for AURIX対応 RAMモニタ | 6点/0.1msec ~ 64点/1msec | |
| グラフ表示機能 | グラフ機能 | RAMモニタ動作中のグラフ表示、RAMモニタ停止後のグラフ表示 |
| グラフ表示ポイント数 | 1点 ~ 16点[*7] | |
| グラフデータの保持・表示期間 | 10秒、30秒、60秒、300秒、600秒から選択可能 | |
| グラフデータの保存 | グラフログ形式、テキスト形式(CSV) | |
| RAMデータ書き換え機能[*8] | 書き換えポイント数 | 1点 ~ 32点 (1バイト、2バイト、4バイト)[*2] |
| 書き換えポイントの入力 | 2進数、10進数(signed)、10進数(unsigned)、16進数、浮動小数点数[*5]、物理量変換値 | |
| 書き換えポイントの読み出し | 2進数、10進数(signed)、10進数(unsigned)、16進数、浮動小数点数[*5]、物理量変換値 | |
| リプログラミング機能[*9] | NSDインターフェイス | 入力ファイル:モトローラ S フォーマットファイルに対応 書込み可能領域:ユーザROM領域 書込み制御:Erase-Program-Verify ブロック指定:不可 |
| AUDインターフェイス | 非対応 | |
| NBDインターフェイス | 非対応 | |
| N-Wireインターフェイス | 非対応 | |
| OCDインターフェイス | 非対応 | |
| OCD+CSIインターフェイス | 非対応 | |
| Nexusインターフェイス | 非対応 | |
| BDMインターフェイス | 非対応 | |
| JTAG for AURIXインターフェイス | 非対応 | |
[*1]:OCD通信並びにOCD+CSI通信では、ユーザープログラムへの初期化プログラムの組み込みが必要です。なお、初期化プログラムはS810-MP-EX6並びにS810-MP-EX6-CSIの付属CDに含まれています。
[*2]:OCD+CSI通信では、4バイトは使用できません。
[*3]:シンボルファイル読込み機能で読み込んだシンボルの指定が可能です。
[*4]:OCD通信では、4バイトの場合も偶数アドレスのみ指定可能となります。
[*5]:IEEE754規格に準拠した32ビット(4バイト)にのみ対応しています。このため、OCD+CSI通信では浮動小数点数を指定できません。
[*6]:ユーザープログラムやハードウェア構成等ユーザシステム環境によって異なる場合がありますので、性能を保証するものではありません。
[*7]:RAMモニタ機能で指定したアドレスの中から、最大16点まで指定可能です。
[*8]:NSD通信では、ユーザープログラムへの専用ライブラリの組み込みが必要です。なお、専用ライブラリはS810-MP-R1の付属CDに含まれています。
[*9]:インターフェイス変換ユニットを経由してのリプログ機能は搭載しておりません。
アプリケーション開発ライブラリ
MicroPecker RAM Monitor アプリケーション開発ライブラリ
MicroPecker RAM Monitor アプリケーション開発ライブラリは、MicroPecker RAMモニタを制御するAPI群です。MicroPeckerを制御して、ターゲットマイコンからのRAMモニタやRAMの読み出し/書き換え機能をユーザー作成のWindowsアプリケーションに実装することが可能になります。
本製品は専用ページから無償ダウンロードが可能です。
MicroPecker アプリケーション開発ライブラリの詳細はこちらをご覧ください。
本製品は組込みに関するお問い合わせ等の技術サポートには対応していません。お問合せ、技術サポートをご希望される場合は、別途、サポートパックへのお申し込みが必要です。
| 製品型名 | 製品名 |
|---|---|
| S810-MP-SDK1N | MicroPecker RAM Monitor アプリケーション開発ライブラリ |
| S810-MP-SDK-SPT | MicroPecker アプリケーション開発ライブラリ サポートパック |
MicroPecker アプリケーション開発ライブラリ 開発環境
| 項目 | 仕様 |
|---|---|
| 開発言語 | Microsoft Visual C++(Ver.6.0以降) Microsoft Visual C#(2005以降)[*1] Embarcadero C++ Builder(Ver.7以降) |
| PC | Microsoft Windowsが動作するIBM PC/AT互換機 |
| 対応OS[*2][*3] | Windows 11(64bit), 10(64bit), 8.1(64bit) |
| CPU | Celeron 1.6GHz 以上を推奨 |
| ハードディスク | 10Mbyte 以上の空き容量 |
| メモリ | 1Gbyte 以上を推奨 |
| USBポート | USB2.0 搭載(Hi-Speed) |
| 画面解像度 | 1024×768 以上を推奨 |
[*1]:対応.NETバージョンは4.0です。
[*2]:32ビットアプリケーションのみ開発可能です。
[*3]:仮想環境での動作は非対応です。
サポート情報
よくあるご質問
製品に関するご質問
日本語版以外のOSで使用できますか?
日本語版以外のOSは動作保証外です。
英語版マニュアルはありますか?
日本語版マニュアルのみをご提供しています。
製品の貸出(お試し利用)は可能ですか?
はい、可能です。詳しくはこちらをご覧ください。
MicroPecker本体のみの購入は可能ですか?
本体のみの販売は行っていません。MicroPeckerは本体にライセンス登録と専用ファームウェアの書き込みを行うことで機能するため、本体単体ではご利用いただけません。
GUIアプリケーションは、インストール数に制限がありますか?
インストール数の制限は設けていません。
デバイスリストに含まれていない品種について対応可能ですか?
個別に検討いたしますので、営業窓口までお問い合わせください。
RAM領域以外(ROM領域やSFR領域)のモニタリングはできますか?
RAM領域以外を対象に設定した場合、動作は保証していません。また「RAM Write」「RAM Read」はRAM領域のみ指定できます。
RAMモニタはプラグアンドプレイ(ホットプラグ)で使用できますか?
ホットプラグには対応していません。ターゲットの電源投入前に接続し、リセットシーケンスを含めた手順に従ってください。
RAMモニタを使用するために、専用プログラムの実装は必要ですか?また、その場合に使用できない領域はありますか?
品種や用途によっては専用プログラムが必要です。詳細はデバイスリストの注意事項をご確認ください。
《S810-MP-R1》のセット内容は何ですか?
セット内容は以下のとおりです。
- MicroPecker本体
- NSD対応同軸ケーブル
- USB延長ケーブル
- 同期ケーブル
- RAMモニタ用GUIソフトウェア
- 《S810-MP-R1》ライセンス
《S810-MP-SR1》は上記からMicroPecker本体とUSB延長ケーブルを除いた構成です。
《S810-MP-R1》の対応品種を知りたいのですが?
最新の対応状況は《S810-MP-R1》対応デバイスリスト(S810-MP-R1_devlist.pdf)をご確認ください。新規対応分は随時ウェブサイトでご案内します。
グラフ表示の更新周期は「Monitoring Speed」で変更できますか?
更新周期は設定に関わらず常に100msです。
グラフ表示で収集範囲を超えるロギングを行った場合、超過データはどうなりますか?
収集範囲内の最新データを残し、それ以前のデータは破棄されます。
保存したグラフログファイルから再表示できますか?
glog形式で保存したファイルは再表示できますが、カーソル位置や表示サイズなど一部設定は引き継がれません。
アナライザと時刻同期した場合、両データを同じグラフで表示できますか?
GUIアプリケーションが独立しているため同一グラフ表示はできませんが、ログのタイムスタンプは同期します。
トラブルシューティング
本体をPCに接続すると「電子署名されたドライバーが必要です」と表示され、認識されません。
Microsoft社のドライバー署名ポリシー変更により、Windows 10 Anniversary Update(バージョン1607)ではUSBドライバをインストールしても認識されない場合があります。

Ver.2.10で修正済みのため、一度アンインストールしてから再インストールしてください。
設定変更などのキーボード操作を行うとGUIアプリが応答しなくなります。
Windows 10 バージョン2004以降のMicrosoft IMEが影響している可能性があります。詳しくはMicrosoftのサポート記事をご参照ください。
回避策として「以前のバージョンのMicrosoft IMEを使う」をオンに切り替えてください。

グラフが想定どおりに表示されません。
「Graph Setting」の値が適切かご確認ください。符号付き2バイトをHexで表示すると初期値が Max=65535 / Min=0 となり、負値が表示されない場合があります。
配列や構造体などの値をモニタする便利な方法はありますか?
mapファイルのみを参照しているため配列や構造体は自動認識しません。お手数ですがmapファイルからアドレスを抽出して設定してください。
変化しているはずの変数が変化しないように見えます。(R32C/100シリーズ)
以下の要因が考えられます。
- 他に頻繁に変化するモニタ点があり、イベント転送が追いついていない。
- 監視しているサイズと異なるバイト幅で書き込みが行われている。
RAMモニタのログで「Logging Data Lost」が頻発します。
1msあたり64回を超える更新を指定すると収集性能を超えてしまいます。モニタ対象範囲を調整してください。
V850E2/Px4で再接続するとNMI割り込みが発生します。
既に接続済みの状態で再度「Connect Target」を実行するとデバッグインターフェースが再初期化され、セーフティガーディアン機能が動作してNMIが発生します。再接続は行わないでください。
モニタ中にターゲットをリセットすると値が更新されません。
リセットによりデバッグインターフェースが初期化され、再接続が必要となります。イベントが発生しない間は前回値が表示され続ける仕様です。
A/Dモニタのログ形式が設定と異なります。
GUIバージョンがVer.1.03以下の場合に発生する既知の不具合です。Ver.1.04以降へアップデートしてください。
Transmit SettingでSecurity ID欄やOKボタンが表示されません。
GUIバージョンがVer.2.01で表示倍率を100%以外に設定すると発生します。Ver.2.02へアップデートするか表示倍率を100%に戻してください。