MicroPecker CANアナライザ《S810-MP-A1》【26年9月販売終了予定】
MicroPecker製品は、使用部品の生産中止に伴い、2026年9月末で販売を終了させていただきます。
長らくご愛顧いただき、誠にありがとうございました。
製品保守(修理)サポートにつきましては、2028年3月末で終了とさせていただきます。
尚、保守部品が無くなり次第、製品保守(修理)サポートを早期に終了させていただきますので、何卒ご了承ください。
さらに高機能な後継機種 MicroPeckerX CAN FD Analyzer《S810-MX-FD2》もあわせてご検討ください。
MicroPeckerX CAN FDアナライザ《S810-MX-FD2》特長
CAN通信のモニタリング機能
接続されたCANバスのフレームデータをモニタリングします。
- 特定フレームデータを受信条件に設定して、トリガ検出によるロギング開始、停止制御ができます。
- フィルタ機能により表示出力するフレームを制限することができます。
- 任意のフレームにラベル名の付与や強調表示を行うことができます。
- モニタリング中に現時点の出力内容を取得できるキャプチャ機能があります。
- モニタ時、CAN ID毎の最新フレームのみを一覧で表示することができます。
- CANモニタ中のCANバスの負荷状態をリアルタイムグラフ表示で確認できます。

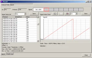
シグナルモニタ機能
フレームデータ上のシグナル値を物理値に変換しリアルタイムで表示することができます。また、指定した1つをグラフ化しリアルタイムでその変化をみることができます。CAN通信のノードシミュレーション機能
CAN通信のノードシミュレーション機能として以下のモードが使用できます。
スロット送信モード
登録したフレームの設定に合わせてフレームの送信を行います。最大24フレームまで登録可能です。- 周期送信:指定周期ごとにフレームを送信します。
- イベント送信:特定条件のモニタフレーム検出やキー入力でフレームを送信します。
- イベント周期送信:周期送信とイベント送信の両タイミングでフレームを送信します。

バースト転送モード
特定のフレーム、もしくはログをCANバスの負荷100%状態で送信します。
ログ再生モード
読み込んだログファイルにしたがってフレームを送信します。
CAN通信のモニタリングデータ解析機能
- シグナル値測定:特定IDのシグナル値の変化をトレースします。
- バス負荷計測:任意の単位時間あたりのバス負荷を計測します。
- フレーム周期計測:特定IDのフレーム間隔を測定します。
- ゲートウェイフレーム遅延時間計測:CANバス2ch以上の同時モニタリング時に、対象フレームの遅延時間とメッセージロストを計測します。
- ゲートウェイピーク計測:CANバス2ch以上の同時モニタリング時に、ゲートウェイ側で保留したピーク値を計測します。

マルチチャンネル対応CANバスアナライザ
最大6chのCAN通信バスの同期モニタリングや、バス間のゲートウェイ解析が可能なマルチチャンネル対応CANバスアナライザです。
MicroPeckerを複数台組み合わせることで、複数CANバスのモニタデータを同期して取得することが可能です。
MicroPecker LIN Analyzerと組み合わせれば、CAN/LIN同期モニタリングを1つのGUIアプリケーションで最大6chのモニタデータ表示や複数chデータのMIX表示が可能です。
また、MicroPecker RAMモニタとの同期モニタリングも可能です。

デモ動画
MicroPecker CAN Analyzerの基本動作を動画で確認できます。
製品仕様
製品パッケージ
| 項目 | 内容 |
|---|---|
| 製品名 | MicroPecker CANバスアナライザ |
| 製品型名 | S810-MP-A1 |
| 同梱品[※] | ・MicroPecker本体 ・MicroPecker用CANケーブル ・USB延長ケーブル ・同期ケーブル ・保証書兼解説書 (MicroPecker CANアナライザライセンス) |

※:アプリケーションソフトウェア、ユーザーズマニュアルはWebページからダウンロードとなります。
MicroPecker本体仕様
| 項目 | 仕様内容 | |
|---|---|---|
| ホストインターフェイス | USB 2.0 High Speed(480Mbps) | |
| ホスト動作環境 | PC[*1] | IBM PC/AT互換機 |
| OS[*2] | Windows 11(64bit), 10(64bit), 8.1(64bit) | |
| CPU | Celeron 1.6GHz 以上を推奨 | |
| ハードディスク | 50Mbyte以上の空き容量[*3] | |
| メモリ | 1Gbyte以上を推奨 | |
| USBポート | USB2.0(High Speed)対応で、接続するMicroPecker本体の台数分必要[*4] | |
| ディスプレイ | 解像度:1024×768以上を推奨 | |
| その他 | モニタ、キーボード、マウス | |
| 電源 | USB Bus Power(5V、400mA) | |
| 寸法[*5] | 62(W)×30(D)×12(H)mm | |
| 重量 | 35g | |
[*1]:省電力機能を持つPCの場合は、本製品使用中にPCのスリープ、HDDの停止、CPUクロックの低下が発生しないように設定して下さい。
[*2]:仮想環境での動作は非対応です。
[*3]:ロギングファイルをローカルハードディスクに保存する場合は、十分なハードディスクの空き容量を確保してください。
[*4]:外付けのUSBハブを用いて接続する場合は、必ずセルフパワー対応機器を選定いただき、外部より電源を供給した上で接続してください。USBハブをバスパワー駆動で接続した場合、動作しない、または不安定になることがあります。
[*5]:寸法には、接続端子の突起部は含まれておりません。
MicroPecker用CANケーブル仕様
| 項目 | 仕様内容 |
|---|---|
| 信号 | CAN-Hi、CAN-Lo、GND ※Dsub9Pin コネクタを使用 |
| ケーブル長 | MicroPecker~ドライバユニット:150mm ドライバユニット~Dsubコネクタ:350mm 全長:500mm |
| シールド | あり |
オプション製品:CAN 1chクリップケーブル《S810-MX-CB1》
本製品をMicroPecker用CANケーブルに接続することで、ターゲットへの接続をDsub端子からICクリップに変更が可能です。
※本製品はオプション製品です。標準セットには同梱されていません。

| Clip Color | Function |
|---|---|
| Blue | CAN Hi |
| White | CAN Lo |
| Black | GND |
機能仕様
MicroPecker CANバスアナライザ仕様
| 項目 | 内容 | |
|---|---|---|
| マルチチャネル同期機能 | 対応チャンネル数 | 1CH/1台、MicroPecker最大6台までの同時接続が可能 |
| 同期機能 | モニタタイムスタンプ、送信タイミング、ログ再生送信タイミング | |
| モニタ機能 | タイムスタンプ分解能 | 1μsec |
| ロギング容量 | ロギング先のディスク容量に依存 | |
| トリガモード | フリーRUN、開始トリガ、終了トリガ | |
| トリガ条件 | 指定フレーム受信 | |
| ロギング出力先 | ファイル、画面上(最大40万レコード) | |
| ロギング書式 | テキスト(CSV)、16進数出力 | |
| RAMモニタとのタイムスタンプ同期 | 対応 | |
| 通信ボーレート | 簡易設定では、以下の4種類が選択可能 125kbps, 250kbps, 500kbps, 1Mbps 詳細設定では、プリスケーラや各セグメントの設定により、フレキシブルな設定が可能 | |
| シグナルモニタ機能 | シグナル設定数 | 64 |
| エンコード形式 | なし/物理値/論理値/BCD変換/ASCII | |
| モニタ中のシグナル表示 | 対応 | |
| モニタ中のグラフ表示数 | 1 | |
| シミュレーション送信機能 | 送信時間の分解能 | 1msec |
| 設定フレーム数 | 24フレーム(Remote受信運用時は、22フレーム) | |
| フレーム種別 | 周期送信、イベント送信、イベント周期送信 | |
| 送信周期 | 1ms~60000msの範囲で設定可能 | |
| 初回送信オフセット | 0ms~60000msの範囲で設定可能 | |
| 送信カウント | 0~1000回の範囲で設定可能(0は制限なし) | |
| イベント種別 | フレーム受信トリガ、キートリガ | |
| イベント検出後の送信Delay | 0ms~60000msの範囲で設定可能 | |
| 同一フレームの送信間隔保証期間 | 1ms~59999msの範囲で設定可能 | |
| シグナル送信 | 対応 | |
| ログ再生送信機能 | 送信時間の分解能 | 1msec |
| 先頭フレーム送信オフセット | 0ms~60000msの範囲で設定可能 | |
| ログ再生開始タイミング | モニタ開始、フレーム受信トリガ、キートリガ | |
| 転送モード | リピートモード、単転送モード | |
| バースト転送機能 | 1Frame送信 | 対応 |
| ログバースト送信 | 対応 | |
| ログ解析機能 | ゲートウェイ遅延解析 | ゲートウェイ対象フレームのゲートウェイ遅延時間を計測 |
| ゲートウェイメッセージ消失検出 | ゲートウェイで消失したメッセージの検出 | |
| ゲートウェイ滞留数ピーク値解析 | ゲートウェイ対象フレームをゲートウェイ側で保留したピーク値を計測 | |
| バス負荷解析 | 任意の単位時間あたりのバス負荷計測 | |
| シグナル解析 | 特定IDのシグナル値のトレース | |
| フレーム周期解析 | 特定IDのフレーム周期を測定 | |
| シグナル値変換によるログファイル出力 | 対応 | |
アプリケーション開発ライブラリ
MicroPecker CAN アプリケーション開発ライブラリ
MicroPecker CAN アプリケーション開発ライブラリは、MicroPecker を制御するAPI群を提供する開発キットです。
MicroPecker CAN アプリケーション開発ライブラリが提供するAPI群を活用することで、ユーザ作成のWindowsアプリケーションからMicroPecker CAN Analyzerを制御することが可能です。
本製品を利用することで、MicroPeckerをインターフェイスにして、CANバスモニタリング、CANフレームメッセージ送信が可能なカスタムアプリケーションの作成が可能です。
本製品は専用ページから無償ダウンロードが可能です。
MicroPecker アプリケーション開発ライブラリの詳細はこちらをご覧ください。
本製品は組込みに関するお問い合わせ等の技術サポートには対応していません。お問合せ、技術サポートをご希望される場合は、別途、サポートパックへのお申し込みが必要です。
| 製品型名 | 製品名 |
|---|---|
| S810-MP-SDK2N | MicroPecker CAN アプリケーション開発ライブラリ |
| S810-MP-SDK-SPT | MicroPecker アプリケーション開発ライブラリ サポートパック |
MicroPecker アプリケーション開発ライブラリ 開発環境
| 項目 | 仕様 |
|---|---|
| 開発言語 | Cインターフェイスを利用できるいずれかの言語 (Visual C++(7.1以降)、Visual C#、Visual Basic.NET等) |
| PC | Microsoft Windowsが動作するIBM PC/AT互換機 |
| 対応OS[*1] | Windows 11(64bit), 10(64bit), 8.1(64bit) |
| CPU | Celeron 1.6GHz 以上を推奨 |
| ハードディスク | 50Mbyte 以上の空き容量 |
| メモリ | 1Gbyte 以上を推奨 |
| USBポート | USB2.0 搭載(Hi-Speed) |
| 画面解像度 | 1024×768 以上を推奨 |
[*1]:仮想環境での動作は非対応です。
よくあるご質問
製品に関するご質問
日本語版以外のOSで使用できますか?
日本語版以外のOSは動作保証外となります。
英語版マニュアルはありますか?
日本語版マニュアルのみになります。
製品の貸出(お試し利用)は可能ですか?
はい、可能です。詳しくはこちらをご覧ください。
MicroPecker本体のみの購入は可能ですか?
本体のみの購入はできません。 (MicroPeckerは本体にライセンスを登録し、所定のファームウェアを書き込むことによって初めて機能する製品であり、本体のみでは使用することができないためです。)
GUIアプリケーションは、インストール数に制限がありますか?
GUIアプリケーションのインストール数制限等は、特に設けておりません。
GUIアプリケーションの「Clock Synchronized」とはどのような設定なのですか?
本項目は、複数のMicroPeckerをご使用の際にデータの送信タイミングを判断する基準を選択するものです。
- 内部クロック:MicroPeckerのH/W内部にあるタイマにて送信タイミングを制御しています。
- 同期クロック:同期ケーブルにより全てのMicroPeckerで共通のタイマを持ち、それを基準に送信タイミングを制御しています。
複数のMicroPeckerをPCに接続して制御する場合、内部クロックだと全てのMicroPeckerを完全に同時に制御開始できないため、複数のMicroPeckerから同時に送信する際にズレが生じます。 一方、同期クロックの場合は全てのMicroPeckerで共通の時間認識となり、複数のMicroPeckerでの送信タイミングが一致します。 なお、MicroPeckerを1台のみでご使用の場合、本設定による影響はありません。
製品のセット内容は?
《S810-MP-A1》のセット内容は以下の通りです。
- MicroPecker本体
- CANケーブル
- USB延長ケーブル
- 同期ケーブル
- CAN/LINアナライザ用GUIソフトウェア
- 《S810-MP-A1》ライセンス
《S810-MP-SA1》は上記からMicroPecker本体とUSB延長ケーブルを除いた構成です。
CANアナライザでバスオフが発生した場合は、どんな動作になりますか?
バスオフになった際は、回復シーケンスを通らずに即エラーをクリアし、通常の状態として通信を開始します。
CANケーブルのCANバス側コネクタの仕様は?
D-sub(9ピン)となります。これ以外のコネクタで使用される場合は、御客様の方で変換頂く必要があります。
MicroPeckerとターゲットとの間で通信を行うことは可能ですか?
本製品はACKを返す機能を有しておりますので、ターゲットと繋げるだけでCANの受信データを確認することが出来ます。 また、フレームの送信も可能で、最大24フレームまで事前に設定したフレームを送信することが出来ますし、他にも動作中に任意のIDやデータで送信する事、事前に取得したログから送信をシミュレーションするといった事も可能です。
CANアナライザのシミュレーション機能で、スクリプト言語を使用することは可能ですか?
本製品は、スクリプト言語には対応しておりません。 MicroPeckerのCAN通信機能を制御するAPI群をMicroPecker CANバスアナライザ Software Development Kit《S810-MP-SDK2》としてご用意していますので、こちらを活用することでお客様で任意のCANフレーム送信を行うWindowsアプリケーションの作成が可能です。
CANアナライザのシミュレーション機能で、特定のフレームやデータを一定の周期で連続送信できますか?また、送信中に値を変更できますか?
CANシミュレーション機能のスロット送信モードでは、特定IDのCANフレーム及びデータを一定の周期で送信することができます。 また、送信するデータを変更することも可能です。
CANアナライザに終端抵抗は入っていますか?
はい、本製品には終端抵抗が入っております。抵抗値は120Ωです。 また、CANケーブルに搭載のスイッチにより、終端抵抗の有効/無効を選択することも可能です。
CANアナライザでエラーフレームの検出や生成は可能ですか?
Ackエラーやオーバーロードフレームエラー等の検出は可能です。 ただし、エラーフレームを生成する機能はございません。
RAMモニタとの時刻同期で使用した場合、双方のデータを同じグラフ上で表示させることはできますか?
アナライザ用とRAMモニタ用のGUIアプリケーションは独立しているため、同じグラフ上で表示させることはできません。 ただし、各々が出力するログファイルのタイムスタンプ値は同期しています。
トラブルシューティング
本体をPCに接続すると、「電子署名されたドライバーが必要です」のダイアログが表示され、本体が認識されません。
Microsoft社によるドライバ署名ポリシーの変更により、Windows 10 Anniversary Update(バージョン1607)ではUSBドライバをインストールしても認識されない場合があります。

本件はVer.4.10で修正済みです。一度ドライバをアンインストールし、再インストールしてください。
設定の変更や保存など、キーボード入力を伴う操作を行うと、GUIアプリケーションが応答しなくなります。
Windows 10 バージョン2004以降のMicrosoft IMEが影響している場合があります。詳細はMicrosoftのサポート記事をご覧ください。
一時的な対策として、以下の手順で「以前のバージョンのMicrosoft IMEを使う」をオンに切り替えてください。
- スタートメニューから「設定」を開く
- 検索ボックスで「IME 設定」と入力し、該当するIME設定を選択
- 「全般」を選択
- 「以前のバージョンのMicrosoft IMEを使う」をオンに設定する

「Each ID Window」において、Mixedにログがある状態でMixedタブをクリックすると、「Illegal Ch. Index.」と表示されます。
本内容はVer.2.03で修正されています。
CANアナライザとLINアナライザを同期接続してモニタすると、「Monitor Window」のMixed表示でCANの受信データのみ表示されません。
本内容はVer.2.03で修正されています。
GUIアプリケーションをバージョンアップさせた後、元のバージョンに戻したところ、GUIアプリケーションの起動時にエラーダイアログが表示され、アナライザを使用することができません。 また、この状態で再びバージョンアップを行っても、状況は変わらないのですが、どうすれば良いですか?
本現象はVer.3.00以上へアップデートした後にダウングレードした場合に発生します。レイアウト設定が保持されているため、Layout.xml を削除して初期化してください。
- Windows XP: GUIアプリケーションのインストールフォルダ(既定では
C:\Program Files\MicroPecker\Analyzer) - Windows Vista以降:
C:\Users\ユーザー名\AppData\Roaming\SunnyGiken\MicroPecker\Analyzer
アナライザを停止した後、「Analyze Window」の「CAN GW Analyze」タブから「GW Latency & Msg. Lost Analyze」を実行したところ、レイテンシの平均時間(Ave)がマイナスになっていました。
本製品では、レイテンシの平均時間を、各フレームでのレイテンシ時間の合計値と、サンプリング数によって算出していますが、Ver.4.11より前のバージョンでは、合計値をus単位の符号付き32bit変数(int32)で管理していたため、合計値が約2147秒を超えてしまうとオーバーフローが発生し、それによって平均時間を正しく表示できなくなっていました。
なお、本内容はVer.4.11で修正済みです。
アナライザを開始したところ、「Master Sync Failure」のエラーメッセージが表示されます。
CANケーブルまたはLINケーブルが正しく接続されていることを確認してください。 それでも本エラーが発生する場合は、故障の可能性がありますので、弊社営業部へご相談ください。
アナライザを開始したところ、「Slave Sync Failure」のエラーメッセージが表示されます。
同期ケーブルが正しく接続されていることを確認してください。 それでも本エラーが発生する場合は、故障の可能性がありますので、弊社営業部へご相談ください。
「Load Config」ダイアログから設定ファイルを読み込むと、「The data version is older 1.00 -> 3.00」と表示され、そのまま「OK」を押すと「エラー Load Error "Analyze Setting"」が表示されます。
GUIアプリケーションは、Ver.2.00でLINアナライザ機能や解析機能を追加しており、それより古いバージョンとは設定ファイルの解析設定(Analyze Setting)に互換性がないため、設定ファイルを読み込むことができません。 このような場合は、以下のように「Load Config」ダイアログで読み込む設定ファイルを指定した後、「Analyze Setting」のチェックボックスを外してから「Load」ボタンを押して頂くと、読み込むことができます。 ただし、この方法では解析設定が取り込まれないため、再度設定頂く必要があります。
CANアナライザで、ログファイルには全てのIDのデータが保存されますが、特定IDのデータのみをログファイルに保存することは可能ですか? また、そのデータをID毎に別々のファイルで保存することはできますか?
本製品では、データの信頼性上、全てのIDのデータをログファイルに保存する仕様としていますが、以下の手順により、このログファイルを基にして、特定IDのデータのみをログファイルに保存することができます。
(1) 「Analyze Window」を開き、「Analyze」タブを選択します。 (2) 特定IDのデータのみを保存したいロギングしたファイルを読み込みます。 (3) 「ID Filtering」タブを開き、保存対象とするIDでのフィルタリングを行ってから、ログファイルを保存します。 (4) 他に保存対象とするIDがある場合は、「Undo」ボタンをクリックしてフィルタリングを解除してから手順(3)を行ってください。これにより、ID毎に別々のログファイルで保存されます。
GUIアプリケーションを起動したところ、「モジュール 'MPAnalyzer.exe' のアドレス 0077D32B でアドレス 00000006 に対する読み取り違反が起きました。」のエラーメッセージが表示されます。
GUIアプリケーションがVer.4.00より前のバージョンにおいて、Windowsのディスプレイ設定で表示倍率を「小 - 100%」以外に設定すると、このエラーメッセージが発生します。
なお、この問題はVer.4.00で修正済みです。