Micropecker LINアナライザ《S810-MP-A2》【26年9月販売終了予定】
MicroPecker製品は、使用部品の生産中止に伴い、2026年9月末で販売を終了させていただきます。
長らくご愛顧いただき、誠にありがとうございました。
製品保守(修理)サポートにつきましては、2028年3月末で終了とさせていただきます。
尚、保守部品が無くなり次第、製品保守(修理)サポートを早期に終了させていただきますので、何卒ご了承ください。
さらに高機能な後継機種 MicroPeckerX LIN Analyzer Plus《S810-MX-LN1》もあわせてご検討ください。
MicroPeckerX LIN Analyzer Plus《S810-MX-LN1》特長
LIN通信のモニタリング機能
LIN Revision 1.3、2.0、2.1に対応したLIN通信のバスモニタリング、LIN通信のノードシミュレーションが可能です。
LIN通信のモニタリング機能は、接続されたLINバスのフレームデータをモニタリングします。
- 特定フレームデータを受信条件に設定して、トリガ検出によるロギング開始、停止制御ができます。
- フィルタ機能により表示出力するフレームを制限することができます。
- 任意のフレームにラベル名の付与や強調表示を行うことができます。
- モニタリング中に現時点の出力内容を取得できるキャプチャ機能があります。
- モニタ時、LIN ID毎の最新フレームのみを一覧で表示することができます。
- LINモニタ中のLIN通信バスの負荷状態をリアルタイムグラフ表示で確認できます。

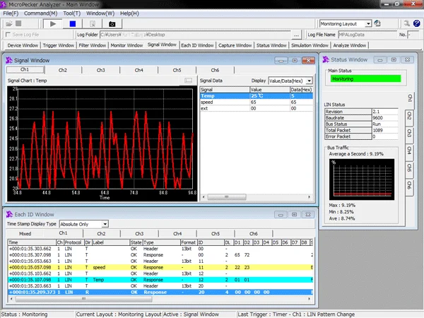
シグナルモニタ機能
フレームデータ上のシグナル値を物理値に変換しリアルタイムで表示することができます。また、指定した1つをグラフ化しリアルタイムでその変化をみることができます。マスターノードシミュレーション機能
LIN通信ネットワークのマスターノードの動作をシミュレートする機能です。
- スケジュールを設定して自動的に送信する「スケジュール送信機能」
- トリガによって送信する「割り込み送信機能」
- エラーシミュレート(SyncBreak、SyncField、CheckSum、ShortMsg、Framing)
- WakeUpパルス、Sleepコマンド送信も選択ひとつで設定が可能
- Sleep状態からマスターノードシミュレーションを開始することも可能
1.スケジュール送信機能
スケジュールを設定して自動的に送信します。
設定できるスケジュールの数は16、各スケジュールには最大64フレームを登録できます。
スケジュールの切替えは、特定条件のモニタフレーム検出やキー入力をトリガ条件に設定して変更が可能です。
LIN ID毎にパターンファイルの使用や送信中のデータ変更も可能で、LDFからのマスターノードスケジュール設定にも対応しています。
2.割り込み送信機能
イベントトリガに従って任意のフレームを送信します。
キーボードからのキー入力、モニタフレーム、ユーザによるボタン押下がトリガとして使用できます。
3.ログ再生モード
読み込んだLINモニタログファイルにしたがってフレームを送信します。
GUI上でログ編集が可能なLog Editorを同梱しています。
スレーブノードシミュレーション機能
LIN通信ネットワークのスレーブノードの動作をシミュレートする機能です。

- LIN通信で使用する64個のIDの全てに対してレスポンスの応答メッセージを設定可能
- LIN ID毎にパターンファイルの使用や送信中のデータ変更可能
- LDFからのスレーブレスポンスID設定に対応
- 応答エラーの設定(CheckSum、ShortMsg、Framing)はドロップダウンメニューから簡単に選択可能
- Sleep状態からスレーブノードシミュレーションを開始することも可能
LIN通信のモニタデータ解析機能
シグナル値測定
特定IDのシグナル値の変化をトレースします。
取得したモニタリングデータからシグナル値と物理値変換後の値と、物理値の最大値と最小値の値表示およびタイムスタンプを表示します。
物理値はグラフ表示も可能です。
バス負荷計測
任意の単位時間あたりのLINバスの負荷を計測します。
LDFシグナルインポート
LDFファイルに記されたシグナルをインポートし、その値の変化をシグナル値同様トレースします。

LDF読込みによる設定が可能
LIN Configuration Language Specificationに準拠したLIN Description File(LDF)による設定に対応しています。
シグナル、マスタースケジュール設定、スレーブレスポンスIDを、LDFから一括設定が可能です。
マルチチャンネル同期モニタリング機能
MicroPeckerを複数台組み合わせることで、マルチチャンネルモニタリングが可能になります。
同一GUIアプリケーションで、最大6chのモニタデータ表示が可能、複数chモニタデータのMIX表示も可能です。
CAN/LINの複数プロトコルを組み合わせたマルチプロトコル同期モニタリングに対応しています。

デモ動画
MicroPecker LIN Analyzerの基本動作を動画で確認できます。
製品仕様
製品パッケージ
| 項目 | 内容 |
|---|---|
| 製品名 | MicroPecker LINバスアナライザ |
| 製品型名 | S810-MP-A2 |
| 同梱品[※] | ・MicroPecker本体 ・MicroPecker用LINケーブル ・USB延長ケーブル ・同期ケーブル ・保証書兼解説書 (MicroPecker LINアナライザライセンス) |

※:アプリケーションソフトウェア、ユーザーズマニュアルはWebページからダウンロードとなります。
MicroPecker本体仕様
| 項目 | 仕様内容 | |
|---|---|---|
| ホストインターフェイス | USB 2.0 High Speed(480Mbps) | |
| ホスト動作環境 | PC[*1] | IBM PC/AT互換機 |
| OS[*2] | Windows 11(64bit), 10(64bit), 8.1(64bit) | |
| CPU | Celeron 1.6GHz 以上を推奨 | |
| ハードディスク | 50Mbyte以上の空き容量[*3] | |
| メモリ | 1Gbyte以上を推奨 | |
| USBポート | USB2.0(High Speed)対応で、接続するMicroPecker本体の台数分必要[*4] | |
| ディスプレイ | 解像度:1024×768以上を推奨 | |
| その他 | モニタ、キーボード、マウス | |
| 電源 | USB Bus Power(5V、400mA) | |
| 寸法[*5] | 62(W)×30(D)×12(H)mm | |
| 重量 | 35g | |
[*1]:省電力機能を持つPCの場合は、本製品使用中にPCのスリープ、HDDの停止、CPUクロックの低下が発生しないように設定して下さい。
[*2]:仮想環境での動作は非対応です。
[*3]:ロギングファイルをローカルハードディスクに保存する場合は、十分なハードディスクの空き容量を確保してください。
[*4]:外付けのUSBハブを用いて接続する場合は、必ずセルフパワー対応機器を選定いただき、外部より電源を供給した上で接続してください。USBハブをバスパワー駆動で接続した場合、動作しない、または不安定になることがあります。
[*5]:寸法には、接続端子の突起部は含まれておりません。
MicroPecker用LINケーブル仕様
| 項目 | 仕様内容 |
|---|---|
| 信号 | VBAT、GND、LIN ※ICクリップ(灰色)を使用 |
| ケーブル長 | MicroPecker~ドライバユニット:150mm ドライバユニット~ICクリップ:450mm 全長:638mm |
| シールド | あり |
機能仕様
MicroPecker LINバスアナライザ仕様
| 項目 | 仕様内容 | |
|---|---|---|
| マルチチャネル同期機能 | 対応チャンネル数 | 1CH/1台、MicroPecker最大6台までの同時接続が可能 |
| 同期機能 | モニタタイムスタンプ、送信タイミング、ログ再生送信タイミング | |
| モニタ機能 | タイムスタンプ分解能 | 1μsec |
| ロギング容量 | ロギング先のディスク容量に依存 | |
| トリガモード | フリーRUN、開始トリガ、終了トリガ | |
| トリガ条件 | 指定フレーム受信 | |
| ロギング出力先 | ファイル、画面上(最大40万レコード) | |
| ロギング書式 | テキスト(CSV)、16進数出力 | |
| RAMモニタとのタイムスタンプ同期 | 対応 | |
| 通信ボーレート | 以下の14種類が選択可能 500bps, 600bps, 1kbps, 1200bps, 2400bps, 4800bps, 5kbps, 9600bps, 10kbps, 10417bps, 14400bps, 15kbps, 19200bps, 20kbps | |
| シグナルモニタ機能 | シグナル設定数 | 64 |
| エンコード形式 | なし/物理値/論理値/BCD変換/ASCII | |
| モニタ中のシグナル表示 | 対応 | |
| モニタ中のグラフ表示数 | 1 | |
| ノードシミュレーション共通機能 | 送信時間の分解能 | 1msec |
| モニタ開始時ステータス | Wakeup/Sleep選択可能 | |
| マスターシミュレーション送信機能 | 設定スケジュール数 | 最大16 |
| スケジュール名 | 8文字まで入力可能 | |
| スケジュール設定 | 有効無効、繰り返し | |
| スケジュール遷移イベント種別 | ログトリガ、キートリガ、ユーザによる切替え | |
| スケジュール操作 | 一時停止、スケジュール切替え | |
| 設定フレーム数 | 最大64フレーム | |
| 送信Delay | 1ms~60000msの範囲で設定可能 | |
| フレーム種別 | 送信、受信、Wakeupパルス、スリープコマンド 送信と受信にはエラー設定可能 パターンファイル使用可能 | |
| ヘッダーエラー種別 | SyncBrk.Long、SyncBrk.Short、SyncBrkField、Parity | |
| レスポンスエラー種別 | CheckSum、ShortMsg.(1~8)、Framing(1~CS) | |
| パターンファイルイベント種別 | タイマ、フレーム受信トリガ、キートリガ | |
| パターンファイルタイマ | 50ms~60000msの範囲で設定可能 | |
| 割り込み送信設定フレーム数 | 最大16フレーム | |
| 割り込み送信フレーム種別 | 送信、受信、Wakeupパルス、スリープコマンド 送信と受信にはエラー設定可能 | |
| 割り込み送信トリガ種別 | フレーム受信トリガ、キートリガ、なし | |
| スレーブシミュレーション送信機能 | 設定フレーム数 | 最大64フレーム |
| フレーム種別 | 応答 応答にはエラー設定可能 パターンファイル使用可能 | |
| レスポンスエラー種別 | CheckSum、ShortMsg.(1~8)、Framing(1~CS) | |
| パターンファイルイベント種別 | タイマ、フレーム受信トリガ、キートリガ | |
| パターンファイルタイマ | 50ms~60000msの範囲で設定可能 | |
| ログ再生送信機能 | 送信時間の分解能 | 1msec |
| 先頭フレーム送信オフセット | 0ms~60000msの範囲で設定可能 | |
| ログ再生開始タイミング | モニタ開始、フレーム受信トリガ、キートリガ | |
| 転送モード | リピートモード、単転送モード | |
| LDF読込み | LDFインポート対象 | 表示シグナル指定、モニタ中のシグナル表示、マスタースケジュール取り込み、スレーブレスポンスID取り込み |
| ログ解析機能 | 解析対象 | LDFシグナル取り込み、バス負荷解析、シグナル解析 |
アプリケーション開発ライブラリ
MicroPecker LIN アプリケーション開発ライブラリ
MicroPecker LIN アプリケーション開発ライブラリは、MicroPecker を制御するAPI群を提供する開発キットです。
MicroPecker LIN アプリケーション開発ライブラリが提供するAPI群を活用することで、ユーザ作成のWindowsアプリケーションからMicroPecker LIN Analyzerを制御することが可能です。
本製品を利用することで、MicroPeckerをインターフェイスにして、LINバスモニタリング、LINフレームメッセージの送受信が可能なカスタムアプリケーションの作成が可能です。
本製品は専用ページから無償ダウンロードが可能です。
MicroPecker アプリケーション開発ライブラリの詳細はこちらをご覧ください。
本製品は組込みに関するお問い合わせ等の技術サポートには対応していません。お問合せ、技術サポートをご希望される場合は、別途、サポートパックへのお申し込みが必要です。
| 製品型名 | 製品名 |
|---|---|
| S810-MP-SDK3N | MicroPecker LIN アプリケーション開発ライブラリ |
| S810-MP-SDK-SPT | MicroPecker アプリケーション開発ライブラリ サポートパック |
MicroPecker アプリケーション開発ライブラリ 開発環境
| 項目 | 仕様 |
|---|---|
| 開発言語 | Cインターフェイスを利用できるいずれかの言語 (Visual C++(7.1以降)、Visual C#、Visual Basic.NET等) |
| PC | Microsoft Windowsが動作するIBM PC/AT互換機 |
| 対応OS[*1] | Windows 11(64bit), 10(64bit), 8.1(64bit) |
| CPU | Celeron 1.6GHz 以上を推奨 |
| ハードディスク | 50Mbyte 以上の空き容量 |
| メモリ | 1Gbyte 以上を推奨 |
| USBポート | USB2.0 搭載(Hi-Speed) |
| CD-ROMドライブ | 本製品をインストール時に使用 |
| 画面解像度 | 1024×768 以上を推奨 |
[*1]:仮想環境での動作は非対応です。
よくあるご質問
製品に関するご質問
日本語版以外のOSで使用できますか?
日本語版以外のOSは動作保証外となります。
英語版マニュアルはありますか?
日本語版マニュアルのみになります。
製品の貸出(お試し利用)は可能ですか?
はい、可能です。 詳しくはこちらをご覧ください。
MicroPecker本体のみの購入は可能ですか?
本体のみの購入はできません。 (MicroPeckerは本体にライセンスを登録し、所定のファームウェアを書き込むことによって初めて機能する製品であり、本体のみでは使用することができないためです。)
GUIアプリケーションは、インストール数に制限がありますか?
GUIアプリケーションのインストール数制限等は、特に設けておりません。
GUIアプリケーションの「Clock Synchronized」とはどのような設定なのですか?
本項目は、複数のMicroPeckerをご使用の際にデータの送信タイミングを判断する基準を選択するものです。
- 内部クロック:MicroPeckerのH/W内部にあるタイマにて送信タイミングを制御しています。
- 同期クロック:同期ケーブルにより全てのMicroPeckerで共通のタイマを持ち、それを基準に送信タイミングを制御しています。
複数のMicroPeckerをPCに接続して制御する場合、内部クロックだと全てのMicroPeckerを完全に同時に制御開始できないため、複数のMicroPeckerから同時に送信する際にズレが生じます。 一方、同期クロックの場合は全てのMicroPeckerで共通の時間認識となり、複数のMicroPeckerでの送信タイミングが一致します。 なお、MicroPeckerを1台のみでご使用の場合、本設定による影響はありません。
製品のセット内容は?
《S810-MP-A2》のセット内容は以下の通りです。
- MicroPecker本体
- LINケーブル
- USB延長ケーブル
- 同期ケーブル
- CAN/LINアナライザ用GUIソフトウェア
- 《S810-MP-A2》ライセンス
《S810-MP-SA2》は上記からMicroPecker本体とUSB延長ケーブルを除いた構成です。
LINアナライザで、MicroPecker本体からVBATを供給する機能はありますか?
本製品にはVBATの供給機能はありません。別途VBATを供給してください。
LINケーブルのVBAT端子への印加可能電圧は?
《S810-MP-A2》のLINケーブルは7V~27Vに対応するLINトランシーバを採用しています。ただしLIN規格(12V)での使用を前提としており、規格外の電圧や急激な電圧変化での動作は保証されません。
LINアナライザにはスレーブ機能がありますが、これを使用してLINアナライザ同士で通信を行うことは可能ですか?
一方をマスタ、もう一方をスレーブに設定し、シミュレーション機能を使うことで通信可能です。1台のPCに2台のMicroPeckerを接続して同時使用もできます。なおVBATの供給機能は搭載していません。
LINアナライザではLIN IDを「0x00~0x3F」の範囲内で設定できますが、これらを1台のMicroPeckerで送信することは可能ですか?
すべてのLIN IDを1台のMicroPeckerで送信できます。
LINアナライザにおけるデータライン上のレベル検出に必要となる電圧は?
一般的にVBAT入力の60%以上がレセシブ(Hi)、40%以下がドミナント(Low)です。送信の場合は80%以上がレセシブ、20%以下がドミナントとなります。
LINアナライザのフレーム送信において、チェックサムの種別を変更することは可能ですか?
「Device Window」のLINプロトコル設定「ID Definition」タブで、IDごとにチェックサム形式(クラシック/拡張)を切り替えられます。詳細はユーザーズマニュアル「6.4.1.2.2 ID Definition」を参照してください。
LINのRev.2.0で追加された機能は全て対応していますか?
拡張フレーム、イベントトリガフレーム、散発フレームには対応していません(その他は対応済み)。
RAMモニタとの時刻同期で使用した場合、双方のデータを同じグラフ上で表示させることはできますか?
アナライザ用とRAMモニタ用のGUIは独立しているため、同一グラフ表示はできません。ただしログファイルのタイムスタンプは同期しています。
トラブルシューティング
本体をPCに接続すると、「電子署名されたドライバーが必要です」のダイアログが表示され、本体が認識されません。
Microsoft社のドライバー署名ポリシー変更により、Windows 10 Anniversary Update(バージョン1607)ではUSBドライバをインストールしても認識されない場合があります。

Ver.4.10で修正済みのため、一度アンインストールしてから再インストールしてください。
設定の変更や保存など、キーボード入力を伴う操作を行うと、GUIアプリケーションが応答しなくなります。
Windows 10 バージョン2004以降のMicrosoft IMEが影響している場合があります。詳しくはMicrosoftのサポート記事をご参照ください。
一時的な回避策として、Windows設定から「以前のバージョンのMicrosoft IMEを使う」をオンに切り替えてください。

「Each ID Window」において、Mixedにログがある状態でMixedタブをクリックすると、「Illegal Ch. Index.」と表示されます。
本内容はVer.2.03で修正されています。
CANアナライザとLINアナライザを同期接続してモニタすると、「Monitor Window」のMixed表示でCANの受信データのみ表示されません。
本内容はVer.2.03で修正されています。
GUIアプリケーションをバージョンアップさせた後、元のバージョンに戻したところ、GUIアプリケーションの起動時にエラーダイアログが表示され、アナライザを使用することができません。 また、この状態で再びバージョンアップを行っても、状況は変わらないのですが、どうすれば良いですか?
本現象はVer.3.00以上へアップデートした後にダウングレードした場合に発生します。レイアウト設定が保持されているため、Layout.xml を削除して初期化してください。
- Windows XP: GUIアプリケーションのインストールフォルダ(既定では
C:\Program Files\MicroPecker\Analyzer) - Windows Vista以降:
C:\Users\ユーザー名\AppData\Roaming\SunnyGiken\MicroPecker\Analyzer
アナライザを開始したところ、「Master Sync Failure」のエラーメッセージが表示されます。
CANケーブルまたはLINケーブルが正しく接続されていることを確認してください。 それでも本エラーが発生する場合は、故障の可能性がありますので、弊社営業部へご相談ください。
アナライザを開始したところ、「Slave Sync Failure」のエラーメッセージが表示されます。
同期ケーブルが正しく接続されていることを確認してください。 それでも本エラーが発生する場合は、故障の可能性がありますので、弊社営業部へご相談ください。
LINアナライザを行ったところ、ログファイルに「バスエラー」が出力されていたのですが、なぜですか?
「Bus Err.」は、以下の場合に出力されます。該当するものがあるかどうかご確認ください。
- VBATへの供給が正しく行われていない。 (「Simulation Window」で、「LIN Simulation Mode」を「Master Sim.」または「Log Replay」に設定している場合が該当します)
- 「Simulation Window」で、「LIN Simulation Mode」を「Master Sim.」に設定しているが、送信フレームが一つも設定されていない。 (この場合、「Bus Err.」の他に「Wakeup」も出力されます)
どちらにも該当しない場合は、故障の可能性がありますので、弊社営業部へご相談ください。
LINアナライザで、スリープ状態の本体にウェイクアップシグナルを送信しても、本体がウェイクアップしないことがあります。
本製品では、LINの仕様に基づき、リビジョンごとに以下に示すドミナント幅を検出すると、ウェイクアップシグナルとして認識します。
- Rev.1.3:8ビット長以上
- Rev.2.0、2.1:150us以上
しかしながら、ドミナント幅の測定誤差で、送信側のウェイクアップシグナルよりもドミナント幅を短く検出することがあり、それによってウェイクアップシグナルと認識されないことがあります。 その場合はお手数ですが、可能であればウェイクアップシグナルを送信する際に、ドミナント幅を長くして頂きますと、ウェイクアップシグナルとして認識されるようになります。
ただし、本製品ではスリープ中にSyncBreakも検知可能とするため、ウェイクアップシグナルとSyncBreakのどちらとも判断できる場合は、SyncBreakを優先する仕様としています。 このため、10ビット長以上のドミナント幅を検出した場合は、SyncBreakとして認識します。
GUIアプリケーションを起動したところ、「モジュール 'MPAnalyzer.exe' のアドレス 0077D32B でアドレス 00000006 に対する読み取り違反が起きました。」のエラーメッセージが表示されます。
Ver.4.00より前のバージョンにおいて、Windowsのディスプレイ設定で表示倍率を「小 - 100%」以外に設定すると、このエラーメッセージが発生します。
なお、この問題はVer.4.00で修正済みです。